


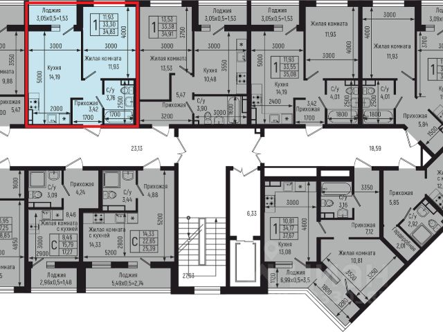
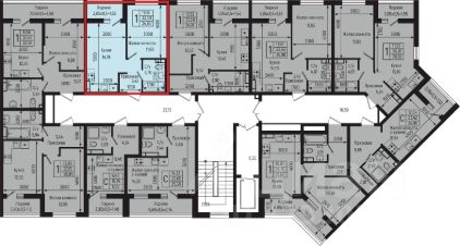
190 500 ₽/м²
Две Реки это жилой комплекс комфорт-класса, расположенный на живописной равнине в окружении гор на Черноморском побережье в городе Туапсе. Проект клубного типа представляет собой 10-этажный дом с двумя секциями. В комплексе Две Реки располагаются всего 102 квартиры, что гарантирует комфортное соседство, на территории ЖК представлена детская игровая зона, мангальная зона, беседки и парковочный комплекс состоящий из наземной гостевой парковки и многоуровневый паркинг еще на 96 мест, который примет автомобиль каждого жильца. ЖК "Две реки" расположен в одном из самых экологически чистых и красивых районов - Калараша , самом комфортном для проживания в Туапсе. Рядом с домом находится современная школа, ведется строительство детского сада, больница, частная клиника, стоматология, круглосуточный супермаркет, автобусная остановка. Вид из окна — на зеленые горы и огненные приморские закаты. ЖК Две реки - это Ваше личное убежище, прикасаясь к которому, Вы ощутите гармонию с природой. Только представьте себе тихий уголок, где каждый ваш день начинается с пробуждения под мягкий шепот реки и пение птиц. У нас все квартиры видовые. Две реки - это место где Вы можете расслабиться и насладиться потрясающим видом на горы и позволить своим заботам исчезнуть. Ну разве не мечта?! Которую Вы можете реализовать уже сегодня. Дома сданы. Началось строительство новой очереди. Продам 1-комнатную квартиру с отделкой от застройщика в Туапсе.









































































































































































